
Electrode potentials
Redox reactions such as this:
Zn(s) + Cu2+(aq) ---> Cu(s) + Zn2+(aq)
Can be split into two half equations:
Cu2+(aq) + 2e- <---> Cu(s)
Zn2+(aq) + 2e- <---> Zn(s)
But as you may notice the second reaction must occur in reverse for the redox reaction to happen and for zinc to be oxidised (loss of electrons). If we set up this reaction as an electrochemical cell we can measure the voltage of the reaction in the cell.
An electrochemical cell is an exothermic reaction set up as two half-cells in two separate containers so that the energy released can produce current between them
A half-cell is half of an electrochemical cell. One half-cell supplies electrons, the other half-cell receives electrons

The more 'easily' the reduction reactions happen (as above in the half-equations) the higher the electrode potential value in volts. In a cell, the higher electrode potential half-cell will undergo the forward reaction and the lower the reverse. The voltage for the reduction of copper 2+ ions is +0.34V and for the reduction of Zinc 2+ ions is -0.76V. Therefore, the copper half-cell is higher and the zinc reaction is in reverse.
The voltage of the cell can be calculated from the difference in the electrode potentials e.g. 0.34V - (-0.76V) = 1.1V With this reaction always work out the difference and don't worry about minus signs.

Measuring Standard electrode potentials EO
Electrode potential - The voltage measured for a half-cell. Another half-cell is essential for this measurement to be made.
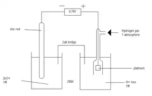
The standard electrode potential of a half cell is measured by making a cell with a 'standard hydrogen electrode' This is used as a reference electrode so has an electrode potential of 0V
Standard hydrogen electrode (the reference electrode) - A half-cell in which hydrogen gas at a pressure of one atmosphere bubbles into a solution of 1M H+ ions. Electrical contact is made with a platinum wire. Each half-cell is given a standard electrode potential of 0V; all other standard electrode potentials are measured relative to it
(Looking at the diagram of the standard Zn2+/Zn half-cell diagram)
- The salt bridge allows movement of ions between the two half-cells completing the circuit. This can simply be filter paper soaked in potassium nitrate solution
- With zinc the negative sign is to the left of the voltage because the standard electrode potential is a negative value
- If there are two ions in the solution without a rod then a platinum electrode is used
- To measure the standard electrode potential of non-metals a platinum electrode must also be used (as they are unlikely to conduct electricity)
- If gases are in the reaction the apparatus is the same as for hydrogen
Standard electrode potential - The voltage measured under standard conditions when the half-cell is incorporated into an electrochemical cell with the other half-cell being a standard hydrogen electrode
What standard electrode potentials mean
Now that we have looked at measuring electrode potentials we can now use them to look at what they can actually be used for. If we had two half-cells:
Ag+ + e- <---> Ag
EO = +0.80V
Zn2+ + 2e- <---> Zn
EO = -0.76V
We can see that the silver reaction has a higher electrode potential value than the zinc equation. This means that the following can be suggested:
- The silver reaction will have a higher tendency to proceed in the forward direction
- Zn2+/Zn has a greater tendency to proceed in the backward direction
- Ag+ is a stronger oxidising agent than Zn2+ because it has a higher tendency to proceed in the forward direction (reduction reaction - causing oxidation to other reactants)
Using standard electrode potentials
We have looked at how standard electrode potentials can be compared to give the voltage of a half-cell. This is useful because we can predict whether or not an oxidising agent is powerful enough to oxidise another substance.
Remember for these to work standard conditions are needed:
- temp of 298K
- pressure of one atmosphere
- 1.00 mol dm−3
When the conditions are changed in any way Le Chatelier's Principle can be used to predict whether the EO value will increase or decrease.
e.g. With the following reaction:
MnO4-(aq) + 8H+(aq) + 5e- ---> Mn2+(aq) + 4H2O(l)
An increase in H+ will shift the equilibrium to the right and therefore increase the EO value
If the difference between the two half cells is less than 0.30V (including negative numbers) What? then the reaction may have an unexpected outcome. If the difference between the half-cells is greater than 0.30V the reaction predicted by the EO value is nearly always the one that occurs.
Remember EO values only say whether or not a reaction is likely to happen and NOT how fast the rate of the reaction will be
Questions
1. Define an electrochemical cell and a half-cell
2. What is the voltage of this cell?:
2H+ + 2e- <---> H2
EO = 0.00V
Zn + 2H+ + 2e- <---> H2 + Zn2+ + 2e-
EO = -0.76V
3. Why have a salt brige in an electrochemical cell?
4. Draw out a diagram for measuring the electrode potential of a Zn2+/Zn half-cell
5. How can the likelihood of a reaction happening in a certain way be changed?
6. What do EO values not tell us?