Voltage Regulator
A voltage stabilizer is an electronic device able to deliver relatively constant output voltage while input voltage and load current changes over time.
The voltage stabilizer is the shunt regulator such as a Zener diode or avalanche diode. Each of these devices begins conducting at a specified voltage and will conduct as much current as required to hold its terminal voltage to that specified voltage. Hence the shunt regulator can be viewed as the limited power parallel stabilizer. The shunt regulator output is used as a voltage reference.
The Zener diode and avalanche diode have opposite threshold voltage dependence on temperature. By connecting these two devices sequentially, it is possible to construct a voltage reference with improved thermal stability. Sometimes (mostly for the voltages around 5.6 V) both effects are combined in the same diode.
Configurations
Simple zener regulator
The image shows a simple zener voltage regulator. It is a shunt regulator and operates by way of the zener diode's action of maintaining a constant voltage across itself when the current through it is sufficient to take it into the zener breakdown region. The resistor R1 supplies the zener current IZ as well as the load current IR2 (R2 is the load). R1 can be calculated as -
where, VZ is the zener voltage, and IR2 is the required load current.
This regulator is used for very simple low power applications where the currents involved are very small and the load is permanently connected across the zener diode (such as voltage reference or voltage source circuits). Once R1 has been calculated, removing R2 will cause the full load current (plus the zener current) to flow through the diode and may exceed the diode's maximum current rating thereby damaging it. The regulation of this circuit is also not very good because the zener current (and hence the zener voltage) will vary depending on VS and inversely depending on the load current.
Simple series regulator
Adding an emitter follower stage to the simple zener regulator forms a simple series voltage regulator and substantially improves the regulation of the circuit. Here, the load current IR2 is supplied by the transistor whose base is now connected to the zener diode. Thus the transistor's base current (IB) forms the load current for the zener diode and is much smaller than the current through R2. This regulator is classified as "series" because the regulating element, viz., the transistor, appears in series with the load. R1 sets the zener current (IZ) and is determined as -
where, VZ is the zener voltage, IB is the transistor's base current and K = 1.2 to 2 (to ensure that R1 is low enough for adequate IB).
where, IR2 is the required load current and is also the transistor's emitter current (assumed to be equal to the collector current) and hFE(min) is the minimum acceptable DC current gain for the transistor.
This circuit has much better regulation than the simple zener regulator, since the base current of the transistor forms a very light load on the zener, thereby minimising variation in zener voltage due to variation in the load. Note that the output voltage will always be about 0.65V less than the zener due to the transistor's VBE drop. Although this circuit has good regulation, it is still sensitive to the load and supply variation. This can be resolved by incorporating negative feedback circuitry into it. This regulator is often used as a "pre-regulator" in more advanced series voltage regulator circuits.
The circuit is readily made adjustable by adding a pot across the zener, moving the transistor base connection from the top of the zener to the pot wiper. It may be made step adjustable by switching in different zeners. Finally it is occasionally made microadjustable by adding a low value pot in series with the zener; this allows a little voltage adjustment, but degrades regulation.
Simple voltage stabilizer
In the simplest case emitter follower is used, the base of the regulating transistor is directly connected to the voltage reference:
The stabilizer uses the power source, having voltage Uin that may vary over time. It delivers the relatively constant voltage Uout. The output load RL can also vary over time. For such a device to work properly, the input voltage must be larger than the output voltage and Voltage drop must not exceed the limits of the transistor used.
The output voltage of the stabilizer is equal to UZ - UBE where UBE is about 0.7v and depends on the load current. If the output voltage drops below that limit, this increases the voltage difference between the base and emitter (Ube), opening the transistor and delivering more current. Delivering more current through the same output resistor RL increases the voltage again.
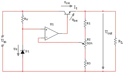
Voltage stabilizer with an operational amplifier
The stability of the output voltage can be significantly increased by using the operational amplifier:
In this case, the operational amplifier opens the transistor more if the voltage at its inverting input drops significantly below the output of the voltage reference at the non-inverting input. Using the voltage divider (R1, R2 and R3) allows choice of the arbitrary output voltage between Uz and Uin.



