< Electronics Handbook < Devices
Rectifier
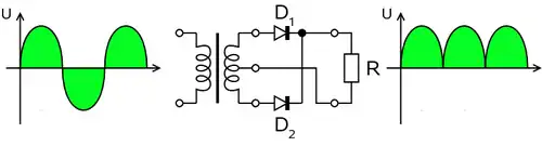
Rectifier is a Device that converts AC Electricity to DC Electricity
Configurations
Transformer with centered tap
Transformer without centered tap
Reference
This article is issued from Wikibooks. The text is licensed under Creative Commons - Attribution - Sharealike. Additional terms may apply for the media files.

