

We are students from Faculty of Computer Systems, Technical University of Sofia. Our 64 group is divided into two sub-groups; we constitute the first 64a one. Here are our names:
Andrey Rachev, Ivelin Ivov, Ivaylo Katrazanov, Rumyana Naydenova, Sasha Madov, Miodrag Hristich, Andon Radulov, Galin Gyurov, Kamen Avramov, Dimitrina Nedelcheva, Slavka Petrova, Zdravko Georgiev, PavlinPanev 64, Ivaylo Atanasov and Miglena Nesterova.
Lab 1: Investigating passive resistive circuits by Microlab system
Lab 2: Computer-based Ohm's experiment
Thursday, March 20, 2008, 13.45 h

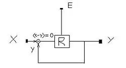
A wire itself, unlike resistors, has a length; that's why Ohm, the great scientist in electric circuits, has used it in his experiments. You can touch a wire to feel how it reacts on bigger current. In this particular exercise we have conducted experiments by investigating the voltage distribution along conductive foam as shown on the picture. As you can see, we have connected wires to two of the foam edges and put voltages from DAC1 and DAC2. We have made a lot of measurements with the 'probe' to investigate the voltage distribution along the conductive foam.

After using the computer-based system Microlab and analyzing the result, we found that we have made a parallel voltage summing circuit. If we put two voltages having the same magnitudes but different polarities (the one + and the other -), we will see that in the center point the voltage will be 0 volts.

The conductive foam is very interesting for investigation because we can see how the voltage is distributed across it. PavlinPanev 64
Lab 3: Building a full-wave bridge circuit
Thursday, April 03, 2008, 13.45 h
Participants of this lab: Andrey Rachev, Ivelin Ivov, Ivaylo Katrazanov, Rumyana Naydenova, Sasha Madov, Miodrag Hristich, Andon Radulov, Galin Gyurov, Kamen Avramov, Dimitrina Nedelcheva, Slavka Petrova, Zdravko Georgiev, PavlinPanev 64, Ivaylo Atanasov and Miglena Nesterova.
Investigating an LED

In this exercise, we have recreated the famous circuit of full-wave bridge. In order to visualize its operation (where currents flow), we have decided to replace the ordinary rectifying diodes by LEDs with different colors. Also, we have used another LED for a load. Firstly, we have investigated the very LED to make ourselves familiar with its behavior. We have found that its performance is good for our purposes, it would shine and work without problems. It was clear that we had to connect a protecting resistor in series with the bridge circuit. PavlinPanev 64
Building the circuit on the whiteboard

Step 1. We started building the circuit on the whiteboard by connecting the load (the tested red LED). Here we assumed that DAC 1 was producing a positive voltage from 0 up to 10 V (this was the positive half-wave). Note how we have outlined the inverse S shape of the "positive" part of the future bridge. PavlinPanev 64

Step 2. Then we assumed that DAC 1 was producing a negative voltage from 0 up to -10 V (this was the negative half-wave) and connected the true S shape of the rest "negative" part of the future bridge. Only, a short-circuit turned out:( What should we do then? We began thinking...
We had already known that diodes can act as decoupling elements (switches); so, we put two red-colored LEDs in the two opposite "positive" bridge legs acting as rectifying and visualizing diodes for the positive half-wave. We expected that since all the three diodes (including the "load") were connected in the same direction they would enable the current to flow in the right direction and would shine during the positive half-wave.

Step 3. But it was not sufficient...:( To remove the conflict, we had to put further two (now, green-colored) LEDs in the two opposite "negative" bridge legs acting again as rectifying and visualizing diodes for the negative half-wave. We solved the short-circuit problem; we managed to "invent" the famous full-wave bridge rectifying circuit!
You can see on the picture how we made the full wave bridge – never mind if the current flows from – to + or from + to -, our red load LED will always shine! Now we can carry out a real experiment to see if our circuit will really work. PavlinPanev 64
Mounting the circuit on a prototyping PCB



This was a true hands-on exercise where we mounted the real circuit on a real prototyping PCB; we soldered the two rectifying LEDs and the LED load on the board and connected them by wires. Thus we finally got a real full-wave bridge rectifier that didn't need any measuring devices. Imagine it should indicate its state (the current direction) by the very diodes! We were eager to get to know, if it would work really as we had assumed? It would be very interesting to test it. PavlinPanev 64
Investigating the circuit by Microlab

After we supplied the circuit by Microlab system we were ready to investigate the circuit operation.
Positive input voltage

It was working as we expected - the three red LEDs were lighting when we put a positive input voltage, the other two LEDs were extinguished. Everything was OK, as we wanted to be. User:PavlinPanev 64
Negative input voltage

Then we tested the circuit at negative input voltage; again the result was excellent as we had expected. We were content with ourselves as we did our job very good. The famous full-wave bridge was working not only in theory but in real! PavlinPanev 64
- PavlinPanev 64, thank you for your participation. Your text is very useful and informative; what you write is exactly what we need for this page. Go on developing the page in this way. Place four tildes after your insertion (they will be replaced by your user name and the date of the creation). I have also placed some photos on your user page; you have only to say some words about yourself. Regards, Circuit-fantasist (talk) 05:16, 25 April 2008 (UTC)
Lab 4: Op-amp circuits with positive feedback
Quick Introduction Of Op-Amp
Operational Amplifier or Op-Amp for short is one of the basic elements in the electronic circuits. In fact it is one abstraction. Under the word Op-Amp we understand an differential amplifier with very good properties like huge Ad - the differential-mode gain, Megaohm resistance and so long. On the picture below is one differential amplifier, which I have made with the OrCad instrument.
We have two bipolar transistors connected to the power source V1. The transistor Q2 has a constant base power source, while the transistor Q1 has a variable base power source. Let's see the time diagram generated by PSpice:
At time t=0 both the base source power are equal to 2V, and the Voltage of Q1 and Q2 are approximately equal. Then the V3 source is starting very slowly to decrease its voltage. As a result of this action the resistance of Q1 is increasing and Iq1 emitter is decreasing. According to first Kirchoff law the other Iq2 emitter current is increasing with the same value the Iq1 going down. In the generated time diagram you could see that when source power is decreasing the Uce of Q1 is increasing until saturation, and symmetrically Uce of Q2 is decreasing. When V3 is fall with 0.5V, the Vout is changed with 10V.
Now We replaced our discrate differential amplifier with Op-Amp:
And the time diagram:
The green line is for differential amp. Here we could see that op-amp is slightly different from my diff-amp. It has very improved dynamical characteristic from the usual amplifier, improved frequency characterist, and so long, all at the cost of more and more transistor, and high complexity. The conclusion is that op-amp for us is one abstraction. We don't concern what is in the op-amp, but the function which op-amp does. Like Prof. Anant Agarwal from MIT had said "...the analog of op-amp in programming is printf() function..." very simple to use, but if we look at its implementation the things will change rapidly. --77.70.25.29 (talk) 14:46, 14 May 2008 (UTC)zdravko64
What negative feedback is


The idea of the negative feedback is to manage to keep the balance. The circuit with negative feedback actually takes the role of active regulating element – never mind what the resistance is it keeps this balance (what do you mean here? Circuit-fantasist (talk) 17:09, 27 April 2008 (UTC)). All that an op-amp tries to do is simply to act as a real thinking human being.
Look at the picture. The difference ∆V between the input voltage Vin and the output voltage Vout is applied to the op-amp differential input. The thing is that the op-amp tries to keep ∆V very close to 0 volts so that the op-amp compensates the difference. However it cannot be more than the voltage on the amplifier itself (what do you mean here? Circuit-fantasist (talk) 17:09, 27 April 2008 (UTC)). Hote that the op-amp does not take energy from the input voltage source to supply the load; instead, it uses its own power supply. The input currents are very low (nano- and pico-ampers); so, we can say they are voltage inputs.
The negative feedback follower just repeats the input value, no matter what the obstacles are. In this way, it acts as a real human being. PavlinPanev 64
Generic Negative Feedback Circuits
After Pavlin has introduced us the negative feedback concepts it is time to create and examine real circuits with negative feedback. I will use again the OrCad system to simulate two of the most popular kinds of feedback. The basic rule for this sort of schemes is:
"V- is less or equal to V+"
The first circuit is the ideal voltage divider (why it is ideal, what does it mean?) Circuit-fantasist (talk) 06:18, 19 May 2008 (UTC)
According to the rule mentioned above V-=0. Then the volage of R9 is V8-0. The current I1 is
The voltage of R10 is:
This lead us to:
In this case Vout = -Vin, because R10=R8=1k. The time diagram is shown below:
--77.70.25.29 (zdravko64) 16:11, 14 May 2008 (UTC)
Converting a negative into a positive feedback circuit
General idea
What happens, if we make a mistake when apply a feedback from the output to the input of the subtractor and, as a result, it becomes a summer? In life this means to fool someone to do things in the wrong direction (for example, to do something bad instead to do something useful and v.v.). He/she "thinks" that he/she reacts in a proper way but actually he/she does exactly the opposite!
We can reproduce this situation in electronics, if we swap (usually, involuntarily) the op-amp's inputs. As a result, the op-amp is "disoriented"; like human beings, it "thinks" that it reacts in a proper way but actually it does exactly the opposite.
In this way, we can introduce the great idea of the positive feedback. It is extremely useful (for example, all the flip-flop RAMs are based on this powerful idea). PavlinPanev 64
Converting a non-inverting amplifier into an inverting comparator with hysteresis
Similarly, what happens, if we make a mistake when build a non-inverting amplifier swapping the inverting and non-inverting inputs? Let's try.

Schmitt Trigger
Returning from the world of abstractions, I would like to show you that there is no magic, live, or something similar in positive feedback, but only a pure physics based on very strong mathematical fundations. The positive feedback is classically explained with the equivalent model of the op-amp.
And now if we gronuded V-, and connect V+ with the dependency source we are going to create something which in mathematics and programing is called recursion.
Meaning, V+=A*V+. Where is the end of recursion? This is when the op-amp get saturated. Knowing this, we could create a comparator, which compare the V+ value with zero and, if it is greater forms plus impulse otherwise minus impulse. With this comparator we could form a square signal from a sinus wave.
--77.70.25.29 (zdravko64) 17:26, 14 May 2008 (UTC)
How to investigate the circuit

Investigating the circuit


TINAE (essay) about diodes (by Zdravko64)
The concept behind diode
The first thing that a man is feeling, when he has heard an unfamiliar word is a confusion. He tries to understand what that word means, and after fails in this point he tries to connect this word with analogies. The word "diode" is coming from Greek and it means two electrode or two "ode". The first electrode is called an anode: in Greek ana- + hodos, a way up, and the second electrode is called a cathode: in Greek kathodos, descent. Ok, so we have one word, which actually means something like a hill or a rising ground, and if we have a bicycle we can descent from the way up without any additional efforts. But when we try to climb this hill it could be difficult to reach the end, and probably we would start walking with very low speed or going in the backward direction. Returning to the world of electricity the electrons are the villagers with bicycles, and the diode is the hill. The electric circuit with a diode could be presented as ski piste. The skiers are very happy when the lift is working in the direction from the bottom to the top, but if we change the directions of the lift all skiers are wondering what's going on, and nobody is down hill skiing.
The next questions are, "Why do we need such a part?" and "What were the electric circuits before the diodes?" These answers require some historical ideas to be introduced. Zdravko64
- Your text is very interesting, intriguing and original!!! Your work deserves a reward! Please, create an account and log in before writing to go down in history:) Then write four tildes after your comments; wikimarkup will substitute them by your user name.
- By the way, an accident has occurred with the battery of my solid-state recorder:( As a result, I have no record from our so interesting laboratory exercise. Please, help me to restore the so valuable data! Circuit-fantasist (talk) 20:54, 3 April 2008 (UTC)
Circuits before the invention of diode
Let me take you back in the beginning of the 19th century, and in this chapter I would like to enter in the minds of the great physicists, or as they called in that time the great nature philosophers of that time. In 1800 was made one great invention by the Venetian nature philosophers Count Alessandro Giuseppe and Antonio Anastasio Volta. All began with one dispute with his colleague Luigi Galvani. After a series of experiments with animals Galvani found out that muscle contractions occurred, if a metal scalpel was touched to a certain leg nerve during dissection. He thought that in the body is conducted some kind of "vital electricity" which is flowing through the nerves. Volta was not on the same opinion. In 1792 he wrote,
"I am persuaded that the electric fluid is never excited and moved by the proper action of the organs, or by any vital force, or extended to be brought from one part of the animal to another, but that it is determined and constrained by virtue of an impulse which it receives in the place where the metals join."
Isn't it incredible how they were thinking? Volta was the thought, that the electric current was some kind of a fluid. He didn't know that there is something like electron, further more he didn't know that the elements are consisted of atoms, because this was approved in 1827, when the botanist Robert Brown used a microscope to look at dust grains floating in water and discovered that they moved about erratically — a phenomenon that became known as "Brownian motion". The scientists suspected that this was not a usual fluid. Volta replace the legs of the frog with different chemical elements and discovered that the elements and aggregates (electrodes) which dissociate in electrolyte (galvanic element) gains a determined electrochemical potential (see Electrochemical_series). All Volta had to do is to connect two galvanic elements with different electrochemical potentials. The positive electrode of galvanic element was called cathode, and the negative - anode. So the reasonable question here is, "Is the battery a diode?" Zdravko64
- Zdravko64, your question is proper for my educational purposes as I intend to ask my students during the next lecture on Wednesday, April 9, the reverse question: "Is a diode a battery?" I will be happy, if you answer this question in your essay about diodes and at the lecture as well. Circuit-fantasist (talk) 16:01, 7 April 2008 (UTC)
- Circuit-fantasist, when I started to write this kind of article my intentions was to create a really helpful and serious work, similar to some kind of scientific work, but not so complicatedly expressed. Now I am realizing, that this has become more like an essay. I am expecting, that we are going to do some teamwork and you give me a directions how to improve my reasonings to achieve my point. I would be thankful, if someone told me how to add pictures here, and I could add it from my lectures notebook and my notes from the laboratories. Thanks in advance. Zdravko64 19:26, 14 April 2008
- Hi Zdravko! I will be able to help you after Wednesday. Circuit-fantasist (talk) 18:10, 14 April 2008 (UTC)
We have the potential difference that creates our hill. But the next keyword - exhaustion, comes here. The main disadvantage of the Volta battery is irreversible moving of the charges. When we connect cathode with anode, we take Zn ion from the anode, which displace the weaker 2H ions from the sulfuric acid. The hydrogen ions give charges with cathode, turn into atoms, and fly away. The charge in cathode move to the anode (the direction is accepted to be from plus to minus by Benjamin Franklin), the anode become positive and more Zn negative ions are thrown. It is obvious that in some time either the anode will vanish or the acid will become salt. Anyway the process will stop. Then the battery will turn into dielectric. OK, but if the battery is ideal it is never going to exhaust. The battery has a fixed potential difference, and with the appropriate opposite high voltage we could manage to pass the hill. According to the superposition principle the two voltage would either add or substract, depending of the directions of the two sources. This means that we are descending from the first hill, and entering the second, if that hill is with the same raise I increase my speed and kinetic energy. Otherwise my kinetic energy is turning into potential one, if it is enough I'm passing or stop at the end, but if it is not enough I'm turning back, and pass through the first hill.
Volta has found out another interesting thing. He noticed that the battery has the ability to transfer the electric charges from anode to cathode. That force was called electromotive force (emf). In the handing case emf is provided by the process of dissociation. This force is missing in the diode. But in the voltaic battery, if we remove the emf, meaning remove the salt bridge or placing a wall between anode and cathode in the acid, the two electrode will equals their potential difference at once. As a result the electrode will become neutral. How we could prevent this happen? Zdravko64
In 1827 Ohm's law appeared in the famous book '"Die galvanische Kette, mathematisch bearbeitet"' (The Galvanic Circuit Investigated Mathematically) in which he gave his complete theory of electricity. Unfortunately the biggest part of his theory was completely ruined by greats mind like Fourier and Navier, for that Ohm believed that the communication of electricity occurred between "contiguous particles". Although, his experiments were certainly valid as well as his law. Eighteen years later Gustav Kirchhoff generalized work by Georg Ohm in his two laws. The circuits at this time was measurement bridges like the Wheatstone bridge in 1843, the Kelvin double bridge, and RC circuits. Two great discoveries occurred in 1832. The first was the electromagnetic induction discovering made independently by Faraday and Joseph Henry , and the second was the invention of telegraph by Baron Schilling von Canstatt . The discovering of electromagnetic induction show us, that the electric current is something slightly different from fluid. The electric current create a magnetic field around the wire through it flows, and also changing magnetic field produces an electric field:
- .
'where is the electromotive force in volts, is the magnetic flux in werbs'. This law is telling, that "the magnetic fluid", which is also called a magnetic field produced an emf equal to minus the speed of flux change. Two type of inductance were found 'mutual inductance' and 'self inductance'. Not longer after that Hippolyte Pixii created the first dynamo machine
The electric circuits start to include the element inductance, and RL circuits appears. The statement
leads to:
- .
That means we could use the inductance to slow the increasing rate of
- The invention of telegraph is very interesting from engineering point. You can see that in 1898 there was a telegraph lines between Europe, America, Africa and Asia.
File:Telegraph Lines . And two questions were arising: - 1.How to support these thousand of kilometers telegraph wires.
- 2.How to use our electric generator and power stations for telegraph supplying.
In other words could we use that new fluid, which Faraday was called a field for Morzse code transferring. Maxwell started to philosophize about the magnetic and electric phenomena in his articles "On Physical Lines of Force" (I recommend to read that remarkable work), and realized that electric and magnetic field are part of one electromagnetic wave. We don't need mechanical medium for this wave, because in this case the energy is oscillating. That is the beginning of RLC circuits.
The RLC circuit creates the magnetic and electric parts of the electromagnetic wave, and for that this circuit is call resonant circuit or tuned circuit. The natural frequency of em wave is:
The reason for development of diode. Evolution or genius revolution
A little of electron history. My point is to show, that there is nothing incidentally in the diode invention. In 1803 John Dalton use the forgotten theory of Democritus for explaining, why the elements are combined with a fixed mass, or in other words why we have SO2, CO2, Na2O, but never S01.8 or Na2.1O, which Dalaton had formulated like "Law of multiple proportions". After that in 1827 Robert Brown made his historical experiments, in order J. Desaulx to suggest fifty years later in 1877, that this phenomena was caused by the thermal motions of water molecules. . In 1883, Thomas Edison observed that a current flowed between the filament of an incandescent lamp and a plate in the vacuum near it [here I what to place a lamp figure], when the plate was connected to the positive end of the filament, but not when the plate was connected to the negative side. He was also rediscovering of thermionic diode principle. The idea is as following: if we heated the anode at a specific temperature some electrons could possible gain enough energy to split from the metal plate and reach the cathode through the vacuum. Here I want to place the thermionic diode figure
If you wonder, how in this distance time, Edison was succeeded to isolate vacuum , and from where the world know about the electrons, years before the J.J.Thomson experiment follow this links:
So the discovering of Edison was telling us something very important, and after it hystorics said, that electrical engineers was beginning to differentiate from the physicists, this think is: "The electrons are our soldiers, and we could control them". Of course, the process which is equivalent to operation of heated vacuum tube diode is the evaporation[here one picture of evaporation, and next to it picture of operation of thermionoc diode] In the first case the evaporation the fluid rise his temperature, which in macro level means that molecules rise their kinetic energy and fly away, when it reach an appropriate level. The second case has to work at the same principle, but Edison didn't know, what kind of a bond or energy is holding the electrons, surly it wasn't a chemical bond or gravity. The phenomena was called electron emission. Electron as a part of the atom was discovered in 1898 by Sir John Joseph Thomson [More about the three Thomson experiments [http:]]]. In his Nobel Lecture "Carries Of Negative Electricity", which I recommend every interested man to read (only 9 pages;)), he is talking about the abstraction of the diode operation principle, as we are going to see in the next section.
Fantasizing an ideal diode
Welcome to the real world! Diode as an abstraction
Different types of diodes
Basic diode schemes and our laboratory experiments
Final words
comments
I enjoyed reading this page. Alas, I see that an earlier edit deleted some pictures . Is there anything I can do to help? --DavidCary (talk) 03:00, 25 May 2008 (UTC)
- Hi David! Thank you for your willingness to help. I decided to involve my students in Circuit idea two months ago somehow "in sport"; but it turned out so successful and exciting that I was entirely absorbed in this new web undertaking. I have told how it has begun in the discussion of the first completely finished page that my students and I have dedicated to the famous Ohm's experiment.
- In general, you can second this "open student wikibooks project" by expressing your opinion about the concrete circuit phenomena considered in the student pages. I'm sorry I haven't invited you (see for example my invitation to Bill Beauty); but I hoped you would note the new initiative.
- David, have you any idea how to restore the deleted pictures? They were created by students; probably, they haven't placed license tags. The problem is that the term has finished, the students have gone away and I have not copies of these pictures on my computer.
- Regards, Circuit-fantasist (talk) 10:16, 25 May 2008 (UTC)
- OK, I talked with WhiteKnight a bit ... what else needs to be done? --DavidCary (talk) 12:57, 23 June 2008 (UTC)