Introduction

Les couples de serrage prescrits ici proviennent de la RTA.

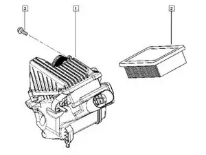
  1. sTaSwAOM6alYXXTR
    sTaSwAOM6alYXXTR
    uKVF4CrxAcN3rdOp
    • 6 N.m

    • 10 N.m

    • Conduit du reniflard de vapeurs d'huile.

    • Conduit de recyclage des vapeurs de carburant.

    • Capteur MAP

    • Thermomètre d'admission

    • Le collecteur d'admission est fourni par Sogefi. Il inclut un résonnateur d'air et semble fait de deux parties collées.

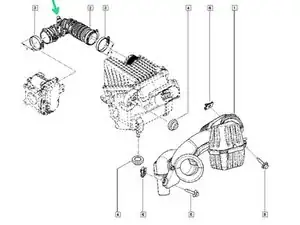
  2. GRvBCxZYrxbNWZOx
    GRvBCxZYrxbNWZOx
    DK2VSc3EYOy2CJhW
    • Sur les Smart, l'entrée d'air est au niveau d'une grille sur le côté du véhicule. Celle-ci n'existe pas sur les Twingo III Phase 1. La conduite d'entrée inclut un résonnateur avant le filtre.

    • Conduit du reniflard de vapeurs d'huile.

    • Des optimisations semblent possibles via modification au vu de la conception de l'entrée d'air d'origine, dans le but d'aspirer un air plus frais et avec moins de restrictions.

    • Le filtre à air du H4D et H4Bt sont identiques.

  3. lDmxMUhHnBKcPGH2
    lDmxMUhHnBKcPGH2
    eEckZbsvMb41BBwU
    • 10 N.m

    • Le reniflard a pour rôle d'envoyer les vapeurs d'huile dans l'admission pour les brûler plutôt que de les rejetter dans l'atmosphère. Il évacue aussi la pression excessive du carter. Celui-ci est fixé sur le couvre culasse.

    • Tous les éléments situés après les conduites du reniflard sont susceptibles d'être encrassés par les vapeurs d'huile (boitier papillon capteur MAP, sonde de température d'admission, injecteurs). Il convient alors de les inspecter régulièrement et de les nettoyer si besoin pour assurer un fonctionnement optimal.

AntonioBiscuit

Member since: 24/08/22

3637 Reputation

0 comments